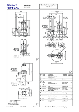
Data sheet for Faggiolati G 418 R3V3-S100AA2

Model 1998-2026 Europe DE

Get your data sheet (PDF) directly to your inbox

  • original data sheet from manufacturer
  • more information
  • detailed specification

*Terms and conditions

The privacy policy of the company LECTURA GmbH applies, which also contains further information about possibilities for correction, deletion and blocking of my data.

Sewage Pumps Faggiolati G 418 R3V3-S100AA2



show detailed specification